湘乡市洙津渡电化有限公司
Xiangxiang Zhujindu Electrochemical Co., Ltd.
首页
关于我们
公司介绍
企业文化
荣誉资质
产品中心
高氯酸钾
高氯酸钠
高氯酸铵
新闻资讯
公司新闻
行业动态
服务支持
常见问题
应用领域
联系我们
了解更多我们公司的新闻和行业的信息
新闻资讯
News information
公司新闻
行业动态
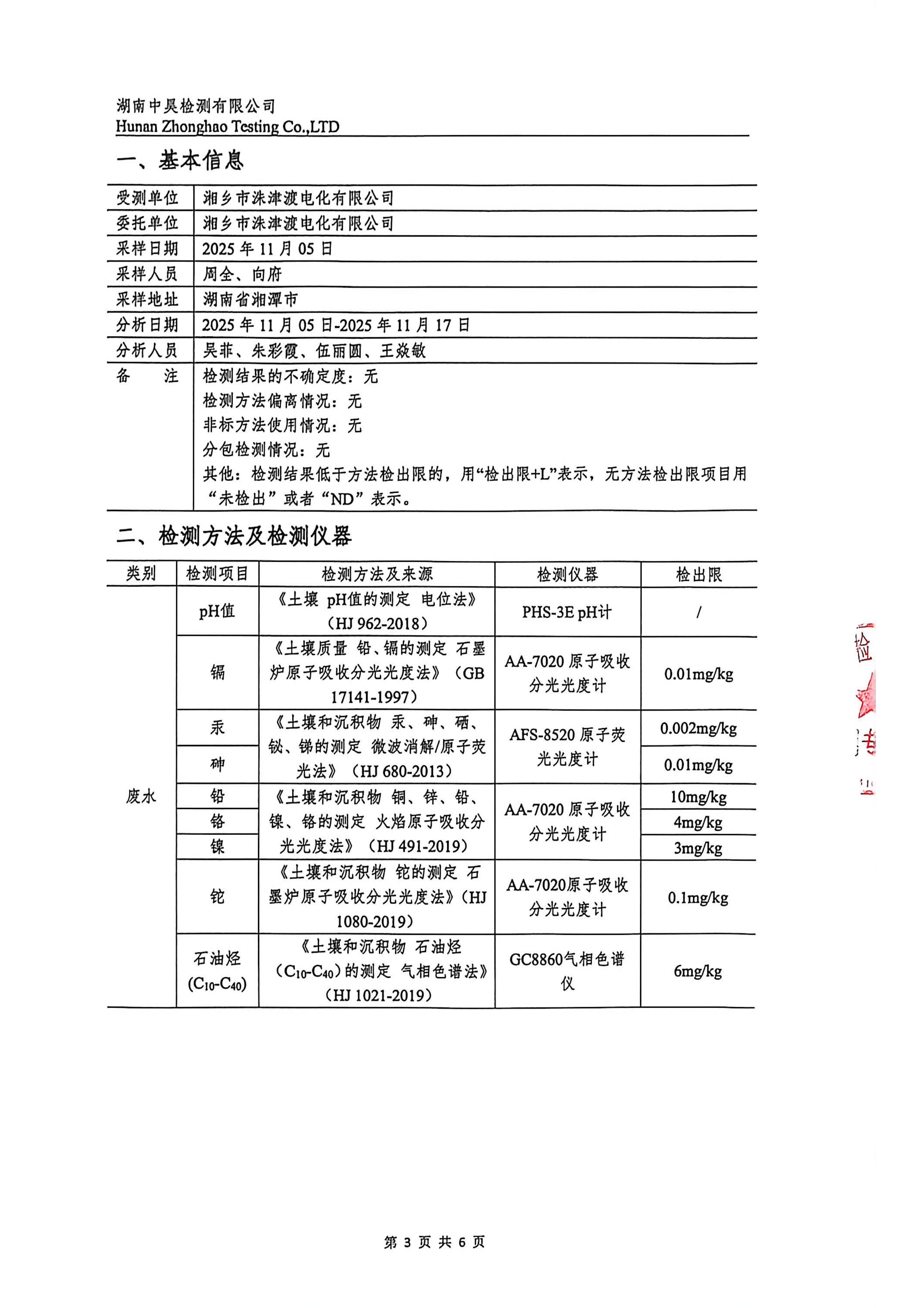
土壤检测报告
来源:
|
作者:
洙津渡电化
|
发布时间:
2025-11-28
|
447
次浏览
|
🔊
点击朗读正文
❚❚
▶
|
分享到:
上一篇:
无
下一篇:
排污许可证申请表
首页
>>
Company news
>>
土壤检测报告